北京装修论坛 - 北京装修社区_高老庄工长装修

 找回密码
立即注册
热搜: 工长 设计 曝光
楼主: 妙妙屋

[装修讨论] 求助,厨房到阳台窗户上的过梁可以开孔吗?装新风

[复制链接]

2

主题

65

帖子

144

积分

小学毕业

积分
144

社区居民

 楼主| 发表于 2016-5-12 09:53:50 | 显示全部楼层
这是从厨房看卫生间,正对着卫生间的门 IMG_1130_副本.jpg
回复

使用道具 举报

2

主题

65

帖子

144

积分

小学毕业

积分
144

社区居民

 楼主| 发表于 2016-5-12 09:58:50 | 显示全部楼层
绿色的是烟道,有40公分,因为橱柜要60,所以还要垒出来⒛公分,我现在纠结,红色的部分有3个方案,1是垒上墙,挡着卫生间门;2是只是多20公分,挡着橱柜就行了,其余空着作为通道;3是做个吧台和包管子的吧台连接
回复

使用道具 举报

2

主题

65

帖子

144

积分

小学毕业

积分
144

社区居民

 楼主| 发表于 2016-5-12 10:10:43 | 显示全部楼层
户型图.png 我不会在图片上写字。厨房墙到管子是1.3米,阳台墙到管子是2.3米,管子到烟道那个墙是0.8米。厨房是1.3*3.1。
回复

使用道具 举报

146

主题

4902

帖子

1万

积分

硕士毕业

积分
10281

社区居民忠实会员社区劳模最爱沙发社区明星

发表于 2016-5-12 10:25:43 | 显示全部楼层
燃气管位置不可动,表移位到下面,见图,改线估计应该是下图的示意
2_42999_13fce7a8ece5ef9 (1).jpg

燃气管线走到灶台,走地面是最好的方式 ,所以,在这边砌实体墙,
2_42999_e20050e419491d8.png



未命名.JPG
回复

使用道具 举报

146

主题

4902

帖子

1万

积分

硕士毕业

积分
10281

社区居民忠实会员社区劳模最爱沙发社区明星

发表于 2016-5-12 10:34:46 | 显示全部楼层
未命名.JPG
回复

使用道具 举报

2

主题

65

帖子

144

积分

小学毕业

积分
144

社区居民

 楼主| 发表于 2016-5-12 10:37:25 | 显示全部楼层

回 43楼(醉蟋蟀) 的帖子

燃气应该可以走顶,然后顺着烟道下来,因为现在要垒墙的地方是原来的厨房门。如果燃气管可以这样的化,您说这墙我垒吗?吧台往外扩的化,包管子的地方就得突出来,不好看
回复

使用道具 举报

2

主题

65

帖子

144

积分

小学毕业

积分
144

社区居民

 楼主| 发表于 2016-5-12 10:38:02 | 显示全部楼层
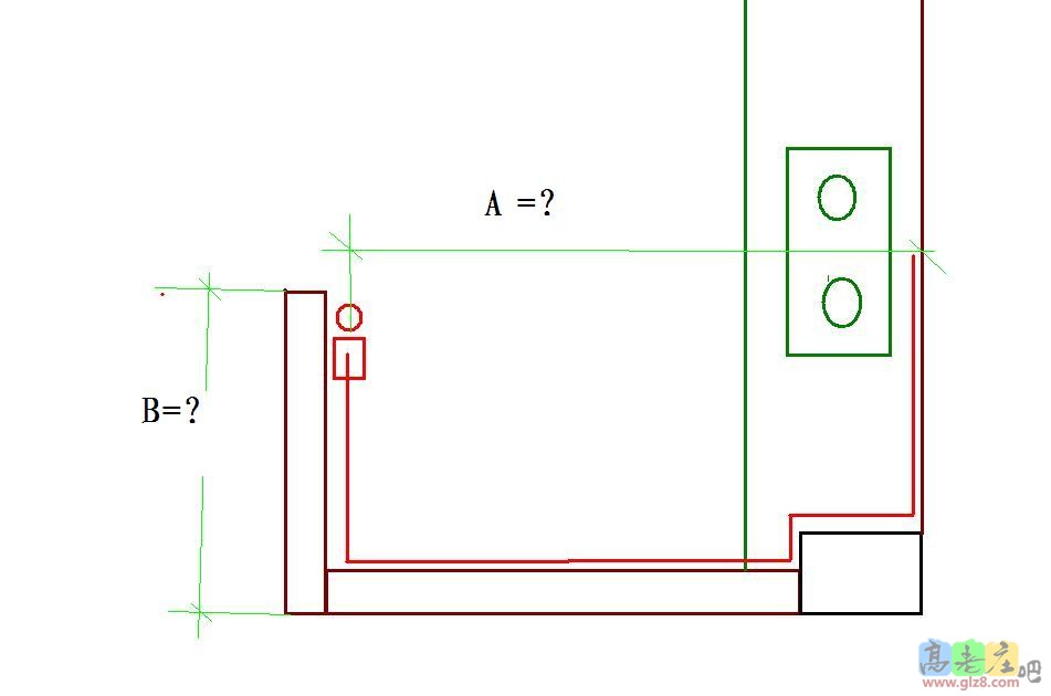
A 的距离是1.3米,B的距离是0.8米
回复

使用道具 举报

146

主题

4902

帖子

1万

积分

硕士毕业

积分
10281

社区居民忠实会员社区劳模最爱沙发社区明星

发表于 2016-5-12 10:49:44 | 显示全部楼层
2_42999_13fce7a8ece5ef9 (2).jpg


燃气管走顶走地,都可以,
我是喜欢把这燃气管道前砌墙,在外面看不见管道,你要是不喜欢这边砌墙,燃气管就露着,也可以,刷上白漆,
另一侧到阳台距离2.3米,开放足够,做个1.2米左右的吧台,过道1米左右,空间感足够。
回复

使用道具 举报

146

主题

4902

帖子

1万

积分

硕士毕业

积分
10281

社区居民忠实会员社区劳模最爱沙发社区明星

发表于 2016-5-12 10:53:51 | 显示全部楼层
看电视有点不舒服
回复

使用道具 举报

2

主题

65

帖子

144

积分

小学毕业

积分
144

社区居民

 楼主| 发表于 2016-5-12 10:59:30 | 显示全部楼层

回 48楼(醉蟋蟀) 的帖子

醉蟋蟀:看电视有点不舒服 (2016-05-12 10:53) 
客厅的电视功能弱化了。电视不放在吧台这边,改到对面窗户旁边的墙上,可以旋转的,只能从厨房这边看。主要看电视在主卧。主要是我老公看,我和孩子很少看。
回复

使用道具 举报

您需要登录后才可以回帖 登录 | 立即注册

本版积分规则

装修百科|手机版|小黑屋|北京高老庄建筑装饰工程有限公司 ( 京ICP备19035109号 )

GMT+8, 2026-3-23 15:56 , Processed in 0.162840 second(s), 30 queries .

快速回复 返回顶部 返回列表