北京装修论坛 - 北京装修社区_高老庄工长装修

 找回密码
立即注册
热搜: 工长 设计 曝光
查看: 7271|回复: 48

白羊女汉子盯装修,佳诺橱柜大大惊喜,黑板漆已上线!

[复制链接]

2

主题

95

帖子

178

积分

小学毕业

积分
178

社区居民

发表于 2016-5-20 13:58:54 | 显示全部楼层 |阅读模式
        大家好,先自我介绍下,楼主本人选择纠结症+拖延症+强迫症+完美主义,还是位名副其实的“无脑白羊女”(是的白羊没脑子这话只能自己说!),平时经常被学理科的LG嘲笑没有逻辑性+缺乏生活常识,就是这样的自己,独自一人扛下了装修大业,其中过程有多少辛酸泪能与谁人说啊!!!硬装到后期真的已累瘫,然而手机一再提醒空间已满,翻看着上千张装修的照片,记录着新家的每一个变化,实在舍不得删除,就都发在老庄吧里留个纪念好了。同时呢,能把自己的经验和教训(教训比较多!)分享给各位装友,也是一件好事儿啊。

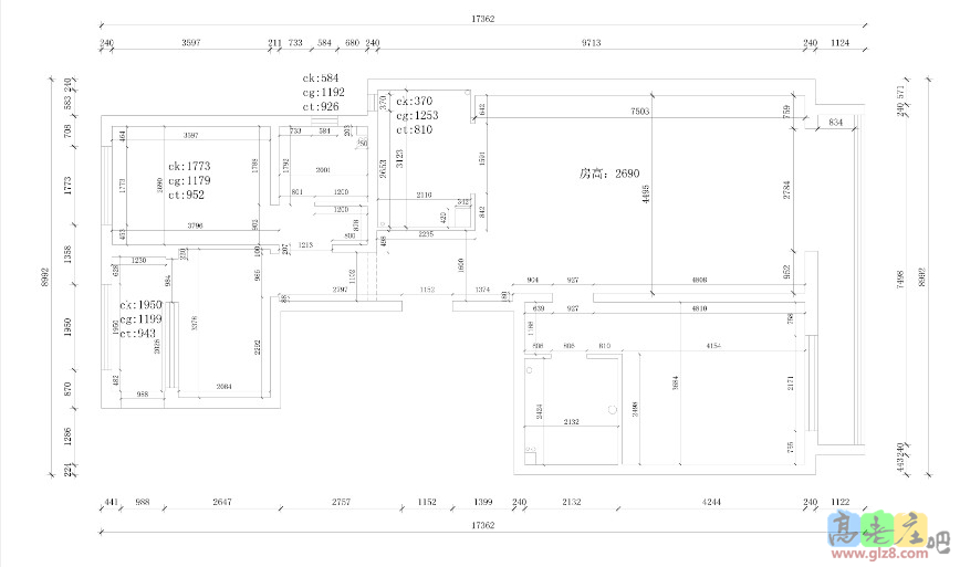
        那就按规矩先发户型图了,嘿嘿~~~



         H{~PELQDR)IVWSB2X]VQ)LG.png
        楼主家坐标顺义,建筑面积137,套内只有105 。三室两厅两卫,客厅和餐厅是连在一起的。开发商已经给铺好了地暖。
        目前进度是等橱柜,等木门,等定制家具,先上近期图片吧:

电视背景墙贴了文化石,没贴那块是故意留的,以后挂钟

电视背景墙贴了文化石,没贴那块是故意留的,以后挂钟


北飘窗铺的桑拿木

北飘窗铺的桑拿木

铸铁浴缸

铸铁浴缸




主卧背景墙,颜色没调好,泪目。。

主卧背景墙,颜色没调好,泪目。。

厨房燃气热水器

厨房燃气热水器

次卫门口的洗手区

次卫门口的洗手区

这张比较早 主要给大家看看地砖

这张比较早 主要给大家看看地砖

地砖~~

地砖~~

南阳台铺了桑拿木

南阳台铺了桑拿木

南阳台铺的桑拿木

南阳台铺的桑拿木

墙漆是浅灰色

墙漆是浅灰色

这个也比较早 厨房吊顶前拍的 也是为了给大家看砖哈哈

这个也比较早 厨房吊顶前拍的 也是为了给大家看砖哈哈
回复

使用道具 举报

2

主题

95

帖子

178

积分

小学毕业

积分
178

社区居民

 楼主| 发表于 2016-5-20 14:02:25 | 显示全部楼层
沙发自己坐~
回复

使用道具 举报

27

主题

88

帖子

464

积分

初中毕业

积分
464

社区居民

发表于 2016-5-20 14:10:58 | 显示全部楼层
楼主,电视背景墙怎么做的。
回复

使用道具 举报

13

主题

504

帖子

3307

积分

大专毕业

积分
3307

社区居民最爱沙发

发表于 2016-5-20 14:18:58 | 显示全部楼层
先赞一个,支持一下!!!
回复

使用道具 举报

2

主题

95

帖子

178

积分

小学毕业

积分
178

社区居民

 楼主| 发表于 2016-5-20 14:31:37 | 显示全部楼层
        下面开始倒叙。。。

        楼主敲定老庄吧的原因跟大家一样,就是在看过老庄写的装修宝典后佩服的五体投地,为老庄打击装修黑幕的决心感动得热泪盈眶,马上否掉了之前约谈过的某发某峰某国际装修公司。然后就开始进入漫漫的选定风格阶段,究竟有多漫漫呢,也就半年的时间吧!这期间上网看了无数样板图,间或跑了几家家具城看同风格的家具,心路历程基本是:1.哇!这风格好美!就是它!2.大量搜样板间图,搜搜搜,看看看.......3.看不动了,审美疲劳,再看就要吐了!不过如此嘛!4.咦?这个风格好像更美啊!!!继续循环前面步骤。。。就这样,从美式乡村到简美到日式,终于最后定格到了北欧风!

        等楼主定好了风格后发现,同时一起拿钥匙的业主,已经有装修完毕开始散味儿的了!!!

        
回复

使用道具 举报

2

主题

95

帖子

178

积分

小学毕业

积分
178

社区居民

 楼主| 发表于 2016-5-20 14:33:33 | 显示全部楼层

回 2楼(无欲则刚) 的帖子

无欲则刚:楼主,电视背景墙怎么做的。 (2016-05-20 14:10) 
买的文化石,像贴瓷砖一样贴上去的!~
回复

使用道具 举报

2

主题

95

帖子

178

积分

小学毕业

积分
178

社区居民

 楼主| 发表于 2016-5-20 14:34:24 | 显示全部楼层

回 3楼(hannibal) 的帖子

hannibal:先赞一个,支持一下!!! (2016-05-20 14:18) 
我感觉给自己挖了个大坑,本来准备随便写几句得了,话痨有点收不住
回复

使用道具 举报

2

主题

95

帖子

178

积分

小学毕业

积分
178

社区居民

 楼主| 发表于 2016-5-20 15:05:34 | 显示全部楼层
毛坯时的样子,入户门颜色很丑,准备刷上黑板漆:

IMG_6578.JPG

进门左拐是个狭长走廊,图上正对的是书房,书房旁边是儿童房
IMG_6579.JPG

这是站在儿童房门口往外看到的区域,左边门洞是次卫。次卫门口这里,开发商的设计应该是放洗衣机,因为次卫太小所以我打算把洗手台挪到外面,怕压抑就把右侧的薄墙打掉了一半,原来的样子:
IMG_6581.JPG


现在的样子:

QQ图片20160520140044.jpg


这是厨房:
IMG_6582.JPG


IMG_6583.JPG



站在厨房门口看向主卧室:
IMG_6584.JPG


这里是进来到主卧,站在主卧看主卧门口。。。左边门洞是主卫门口,右边门洞是主卧门口,很常见的格局:

IMG_6585.JPG


最坑的地方就是这里,进门右手边的两个电箱,我到现在也没想好怎么处理这俩货。定制衣柜全封闭上的话,太压抑,毕竟是一进门,留有足够空间很重要。可是该如何美观地遮挡它们,真的很头疼!此问题现在还是待解决状态!
IMG_6586.JPG
回复

使用道具 举报

1

主题

51

帖子

111

积分

小学毕业

积分
111

社区居民

发表于 2016-5-20 15:18:25 | 显示全部楼层
我也是白羊女哎,跟你描述的一样,除了没有强迫症和完美主义,其他的选择纠结症和拖延症我都有,又有一个理科、逻辑性强、追求完美、固执的、又不爱管事的lg,也是独自担当装修大任啊。握个抓!
回复

使用道具 举报

2

主题

95

帖子

178

积分

小学毕业

积分
178

社区居民

 楼主| 发表于 2016-5-20 15:31:14 | 显示全部楼层

回 8楼(迷路的风) 的帖子

迷路的风:我也是白羊女哎,跟你描述的一样,除了没有强迫症和完美主义,其他的选择纠结症和拖延症我都有,又有一个理科、逻辑性强、追求完美、固执的、又不爱管事的lg,也是独自担当装修大任啊。握个抓! (2016-05-20 15:18) 
握爪并熊抱!!!祝一切顺利!
回复

使用道具 举报

您需要登录后才可以回帖 登录 | 立即注册

本版积分规则

装修百科|手机版|小黑屋|北京高老庄建筑装饰工程有限公司 ( 京ICP备19035109号 )

GMT+8, 2026-3-22 07:34 , Processed in 0.925952 second(s), 29 queries .

快速回复 返回顶部 返回列表